Produk
Katup Globe Stainless Steel Tekanan Tinggi
  • Katup Globe Stainless Steel Tekanan TinggiKatup Globe Stainless Steel Tekanan Tinggi

Katup Globe Stainless Steel Tekanan Tinggi

Katup globe baja tahan karat tekanan tinggi sing tahan lama iki, diprodhuksi dening JQF Valve, sing ndhukung ukuran khusus lan layanan OEM / ODM, tundhuk karo standar global kayata DIN, lan diprodhuksi nggunakake CNC canggih lan peralatan testing kanggo njamin presisi lan kualitas. Uga dilengkapi garansi 3 taun kanggo njamin kinerja sing kuat.

Minangka pemasok manufaktur katup sing nggabungake R&D, desain, produksi, penjualan, lan layanan, pabrik JQF Valve duwe tim teknis lan sistem manajemen kualitas sing lengkap. Produk kita akeh digunakake ing macem-macem lapangan kayata petroleum, kimia, pembangkit listrik, perlindungan lingkungan, pertambangan batu bara, saluran banyu, lan energi anyar. Katup globe stainless steel tekanan dhuwur sing berkualitas tinggi dirancang kanggo daya tahan lan linuwih, cocok kanggo macem-macem media lan kahanan suhu. Kita terus-terusan nguber kesempurnaan lan setya integritas karo saben pelanggan, nyedhiyakake produk lan layanan sing unggul. We Sincerely welcome pelanggan anyar lan lawas kanggo ngunjungi, nelpon, utawa nulis kanggo ngrembug bisnis.


1. Materi batang katup kanthi kekuatan dhuwur, disambungake kanthi rapet karo awak tutup, njamin rotasi lancar lan operasi sing gampang.
2. Sekrup sing dipilih kanthi teliti njamin sambungan sing nyenyet, kuat, lan tahan karat.
3. awak tutup stainless steel nyedhiyakake klep globe stainless steel meksa dhuwur resistance karat apik lan Nyegah teyeng.
4. Flanges kenthel digawe saka bahan padhet lan disambungake kanthi aman.

Fitur

1. Trep lan Cepet
Struktur prasaja, gampang kanggo nggawe lan njaga.
2. Ngalih Cepet, Tumindak Cilik
Stroke kerja sing cendhak, respon mbukak lan nutup kanthi cepet.
3. awet
Segel nyenyet, tahan nyandhang lan kuat, umur layanan dawa.

Standar Eksekutif

Spesifikasi desain: GB / T 12235
Dawane struktur: GB / T 12221
Sambungan flange: JB / T 79
Tes lan pamriksa: JB / T 9002
Identifikasi produk: GB / T 12220
Spesifikasi sumber: JB / T 7928

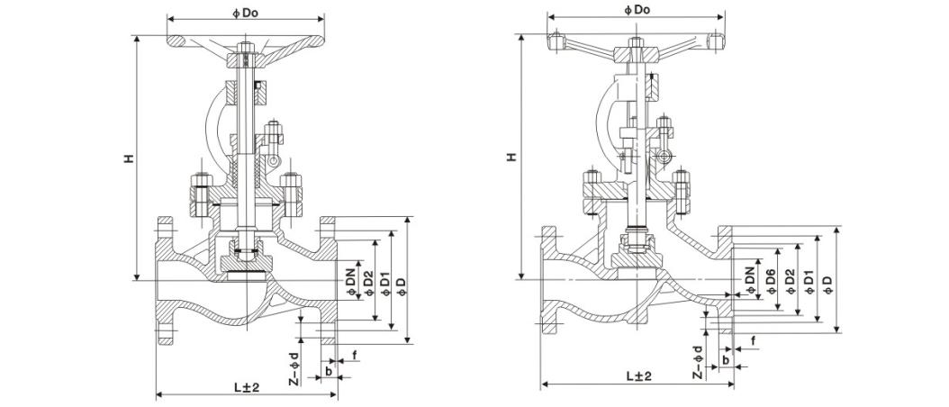
Tampilan utama lan dimensi sambungan

diameteripun nominal Dimensi eksternal utama lan dimensi sambungan
L D D1 D2 b Z-d H D0
J41H-16C
15 130 95 65 45 14-2 4-Φ14 170 120
20 150 105 75 55 14-2 4-Φ14 190 140
25 160 115 85 65 14-2 4-Φ14 205 160
32 180 135 100 78 16-2 4-Φ18 270 180
40 200 145 110 85 16-3 4-Φ18 310 200
50 230 160 125 100 16-3 4-Φ18 358 240
65 290 180 145 120 18-3 4-Φ18 373 240
80 310 195 160 135 20-3 8-Φ18 435 280
100 350 215 180 155 20-3 8-Φ18 500 300
125 400 245 210 185 22-3 8-Φ18 614 320
150 480 280 240 210 24-3 8-Φ23 674 360
200 600 335 295 265 26-3 12-Φ23 811 400
250 650 405 355 320 30-3 12-Φ25 969 450
300 750 460 410 375 30-3 12-Φ25 1145 580
350 850 520 470 435 34-4 16-Φ25 1280 640
400 980 580 525 485 36-4 16-Φ30 1452 640
J41H-25C
15 130 95 65 45 16-2 4-Φ14 170 120
20 150 105 75 55 16-2 4-Φ14 190 140
25 160 115 85 65 16-2 4-Φ14 205 160
32 180 135 100 78 18-2 4-Φ18 270 180
40 200 145 110 85 18-3 4-Φ18 310 200
50 230 160 125 100 20-3 4-Φ18 358 240
65 290 180 145 120 22-3 8-Φ18 373 240
80 310 195 160 135 22-3 8-Φ18 435 280
100 350 230 190 160 24-3 8-Φ23 500 300
125 400 270 220 188 28-3 8-Φ25 614 320
150 480 300 250 218 30-3 8-Φ25 674 360
200 600 360 310 278 34-3 12-Φ25 811 400
250 650 425 370 332 36-3 12-Φ30 969 450
300 750 485 430 390 40-4 16-Φ30 1145 580
350 850 550 490 448 44-4 16-Φ34 1280 640
400 980 610 550 505 48-4 16-Φ34 1452 640

Gambar struktur

Hot Tags: Katup Globe Stainless Steel Tekanan Tinggi, China, Disesuaikan, Kualitas, Awet, Lanjut, Produsen, Supplier, Pabrik, ing Simpenan
Kirim Pitakonan
Info kontak
  • alamat

    No.1, North 1st Road, Stainless Steel New Town, Lecong Steel World West Road, Distrik Shunde, Kota Foshan, Provinsi Guangdong, China

Kanggo pitakon babagan katup gapura, katup globe lan katup mriksa utawa dhaptar rega, tinggalake email sampeyan lan kita bakal hubungi sajrone 24 jam.

X
Kita nggunakake cookie kanggo menehi pengalaman browsing sing luwih apik, nganalisa lalu lintas situs lan nggawe konten pribadi. Kanthi nggunakake situs iki, sampeyan setuju kanggo nggunakake cookie. Kebijakan Privasi
nolak Nampa