Produk
Katup Globe Standar GB
  • Katup Globe Standar GBKatup Globe Standar GB

Katup Globe Standar GB

Katup globe standar J41H, J41Y, lan J41W sing berkualitas tinggi lan disesuaikan digawe dening JQF Valve, produsen katup profesional ing China. Bagean sing mbukak lan nutup yaiku cakram tutup silinder, lan permukaan sealing rata utawa kerucut. Cakram katup pindhah kanthi linear ing sadawane garis tengah cairan. Klep globe standar GB mung cocok kanggo aplikasi sing mbukak utawa ditutup kanthi lengkap lan umume ora digunakake kanggo regulasi aliran, nanging regulasi aliran lan throttling bisa ditindakake miturut kabutuhan pelanggan.
Foshan Jinqiu Valve Co., Ltd. is a manufacturing factory integrating valve R&D, manufacturing, sales, and service. Our durable GB standard globe valves are specifically designed for oxygen pipelines, ensuring safe, stable, and efficient operation. Made from high-quality materials and undergoing rigorous degreasing and cleaning processes, these valves effectively prevent combustion risks and guarantee reliable sealing performance.

Katup globe standar GB ing saham cocok kanggo kisaran tekanan PN1.6-PN16 lan ukuran DN15-DN400, sing tansah digunakake ing industri metalurgi, kimia, gas medis, lan energi.

Fitur Struktural

Kita terus-terusan nggawe inovasi lan ngupayakake keunggulan, selaras karo jaman kanthi katup globe standar GB berkualitas tinggi lan layanan pelanggan sing luar biasa! Kita aktif ngenalake peralatan canggih, manajemen perusahaan, lan personel layanan teknis, ngupayakake mbangun merek katup domestik lan internasional sing berkualitas tinggi. We welcome pelanggan anyar lan lawas kanggo ngunjungi lan mriksa fasilitas kita, kerjo bareng kanggo keuntungan bebarengan, lan bebarengan nggawe mangsa luwih apik!

Standar Eksekutif

Spesifikasi desain: GB / T 12235
Dawane struktur: GB / T 12221
Sambungan flange: JB / T 79
Tes lan pamriksa: JB / T 9002
Identifikasi Produk: GB / T 12220
Spesifikasi pangiriman: JB / T 7928

Fitur

1. Struktur Streamlined lan Optimized: Desain sing disederhanakake nambah efisiensi manufaktur komponen lan pangopènan peralatan kanthi 30%. 2. Bukak lan Panutup Kontrol Cepet: Desain struktur mikro-stroke entuk kacepetan respon mbukak lan nutup 0,8 detik saben siklus. 3. Long-Lasting Sealing System: Self-lubricating teknologi lumahing sealing entuk koefisien Ultra-kurang gesekan; lapisan sealing gabungan wis umur anti-tuwa ngluwihi 50.000 bukaan lan nutup siklus.

Paramèter kinerja

model J41H-16C~160C J41Y-16C~160C J41W-16P~160P
Tekanan kerja (MPa) 1.6-16.0
suhu sing tepat (℃) ≤425 ≤150
Media sing cocog Banyu, uap, lenga Medium korosif sing lemah
materi Badan, kap Baja karbon Baja tahan karat nikel-titanium krom
Batang katup Baja tahan karat krom Baja tahan karat nikel-titanium krom
Sealing lumahing Wesi basis wesi lumahing Paduan hardfacing Bahan awak
pangisi Asbestos grafit, fleksibel grafit, PTFE

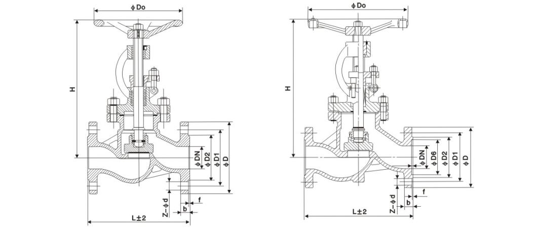
Wangun utama lan ukuran sambungan

diameteripun nominal Dimensi utama lan dimensi sambungan
L D D1 D2 b Z-d H D0
J41H-16C
15 130 95 65 45 14-2 4-Φ14 170 120
20 150 105 75 55 14-2 4-Φ14 190 140
25 160 115 85 65 14-2 4-Φ14 205 160
32 180 135 100 78 16-2 4-Φ18 270 180
40 200 145 110 85 16-3 4-Φ18 310 200
50 230 160 125 100 16-3 4-Φ18 358 240
65 290 180 145 120 18-3 4-Φ18 373 240
80 310 195 160 135 20-3 8-Φ18 435 280
100 350 215 180 155 20-3 8-Φ18 500 300
125 400 245 210 185 22-3 8-Φ18 614 320
150 480 280 240 210 24-3 8-Φ23 674 360
200 600 335 295 265 26-3 12-Φ23 811 400
250 650 405 355 320 30-3 12-Φ25 969 450
300 750 460 410 375 30-3 12-Φ25 1145 580
350 850 520 470 435 34-4 16-Φ25 1280 640
400 980 580 525 485 36-4 16-Φ30 1452 640
J41H-25C
15 130 95 65 45 16-2 4-Φ14 170 120
20 150 105 75 55 16-2 4-Φ14 190 140
25 160 115 85 65 16-2 4-Φ14 205 160
32 180 135 100 78 18-2 4-Φ18 270 180
40 200 145 110 85 18-3 4-Φ18 310 200
50 230 160 125 100 20-3 4-Φ18 358 240
65 290 180 145 120 22-3 8-Φ18 373 240
80 310 195 160 135 22-3 8-Φ18 435 280
100 350 230 190 160 24-3 8-Φ23 500 300
125 400 270 220 188 28-3 8-Φ25 614 320
150 480 300 250 218 30-3 8-Φ25 674 360
200 600 360 310 278 34-3 12-Φ25 811 400
250 650 425 370 332 36-3 12-Φ30 969 450
300 750 485 430 390 40-4 16-Φ30 1145 580
350 850 550 490 448 44-4 16-Φ34 1280 640
400 980 610 550 505 48-4 16-Φ34 1452 640

Gambar struktur

Hot Tags: GB Standard Globe Valve, China, Customized, Quality, Awet, Advanced, Produsen, Supplier, Pabrik, ing Simpenan
Kirim Pitakonan
Info kontak
  • alamat

    No.1, North 1st Road, Stainless Steel New Town, Lecong Steel World West Road, Distrik Shunde, Kota Foshan, Provinsi Guangdong, China

Kanggo pitakon babagan katup gapura, katup globe lan katup mriksa utawa dhaptar rega, tinggalake email sampeyan lan kita bakal hubungi sajrone 24 jam.

X
Kita nggunakake cookie kanggo menehi pengalaman browsing sing luwih apik, nganalisa lalu lintas situs lan nggawe konten pribadi. Kanthi nggunakake situs iki, sampeyan setuju kanggo nggunakake cookie. Kebijakan Privasi
nolak Nampa