Produk
Katup Globe Stainless Steel
  • Katup Globe Stainless SteelKatup Globe Stainless Steel

Katup Globe Stainless Steel

Awet J41H, J41Y, J41W stainless steel tutup globe diprodhuksi dening JQF Valve. Bagean bukaan lan tutup yaiku tutup tutup silinder, permukaan sealing warata utawa kerucut, lan tutup tutup obah kanthi linear ing garis tengah cairan. Katup cut-off stainless steel mung cocok kanggo mbukak lengkap lan nutup lengkap. Umume ora digunakake kanggo nyetel tingkat aliran. Bisa diatur lan throttled nalika disesuaikan.
Foshan Jinqiu Valve Co., LTD. minangka produsen tutup globe stainless steel berkualitas tinggi sing nggabungake desain, pangembangan, manufaktur, penjualan, lan layanan. Produk utama kalebu macem-macem katup kontrol, katup listrik, katup pneumatik, katup solenoid, katup manual, aktuator, lan aksesoris katup.
Katup globe stainless steel kita yaiku katup gerbang kanthi awak cast stainless steel, sambungan flanged ing ujung loro, lan struktur katup gerbang. Fungsi inti yaiku ngatur aliran kanthi tepat utawa mateni medium ing saluran pipa.
Amarga resistance karat banget lan kinerja sealing dipercaya, wis dadi salah siji saka klep preferred kanggo media korosif utawa aplikasi dhuwur-karesikan ing kimia, petrokimia, pangan, lan industri farmasi.
Customers trust JQF valves' high quality, reliable performance, and good and comprehensive customer service. We will continue to innovate to provide first-class valve solutions.

1. Struktur prasaja: Desain tutup globe stainless steel prasaja, nggawe manufaktur lan pangopènan trep lan efisien.
2. Response Rapid: Stroke kerja cendhak ngidini mbukak lan nutup tutup kanthi cepet.
3. Sealing awet: efek sealing banget, resistance gesekan minimal, lan umur layanan dawa.

Standar Eksekutif

Spesifikasi desain: GB / T 12235
Dawane struktur: GB / T 12221
Sambungan flange: JB / T 79
Tes lan pamriksa: JB / T 9002
Identifikasi Produk: GB / T 12220
Spesifikasi pangiriman: JB / T 7928

Parameter kinerja

model J41H-16C~160C J41Y-16C~160C J41W-16P~160P
Tekanan kerja (MPa) 1.6-16.0
suhu sing tepat (℃) ≤425 ≤150
Media sing cocog Banyu, uap, lenga Medium korosif sing lemah
materi Badan, kap Baja karbon Baja tahan karat nikel-titanium krom
Batang katup Baja tahan karat krom Baja tahan karat nikel-titanium krom
Sealing lumahing Wesi basis wesi lumahing Paduan hardfacing Bahan awak
pangisi Asbestos grafit, fleksibel grafit, PTFE

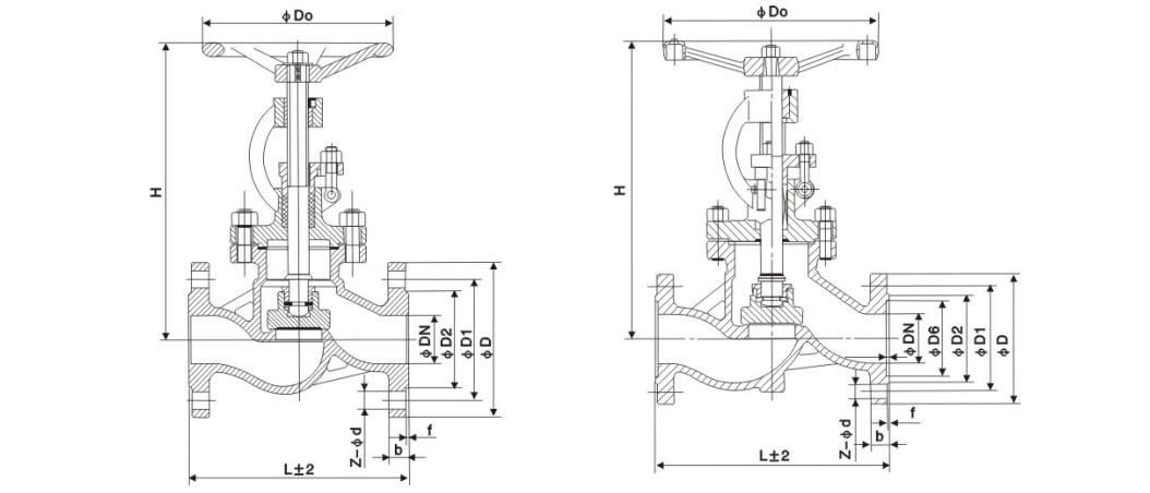
Wangun utama lan ukuran sambungan

diameteripun nominal Dimensi utama lan dimensi sambungan
L D D1 D2 b Z-d H D0
J41H-16C
15 130 95 65 45 14-2 4-Φ14 170 120
20 150 105 75 55 14-2 4-Φ14 190 140
25 160 115 85 65 14-2 4-Φ14 205 160
32 180 135 100 78 16-2 4-Φ18 270 180
40 200 145 110 85 16-3 4-Φ18 310 200
50 230 160 125 100 16-3 4-Φ18 358 240
65 290 180 145 120 18-3 4-Φ18 373 240
80 310 195 160 135 20-3 8-Φ18 435 280
100 350 215 180 155 20-3 8-Φ18 500 300
125 400 245 210 185 22-3 8-Φ18 614 320
150 480 280 240 210 24-3 8-Φ23 674 360
200 600 335 295 265 26-3 12-Φ23 811 400
250 650 405 355 320 30-3 12-Φ25 969 450
300 750 460 410 375 30-3 12-Φ25 1145 580
350 850 520 470 435 34-4 16-Φ25 1280 640
400 980 580 525 485 36-4 16-Φ30 1452 640
J41H-25C
15 130 95 65 45 16-2 4-Φ14 170 120
20 150 105 75 55 16-2 4-Φ14 190 140
25 160 115 85 65 16-2 4-Φ14 205 160
32 180 135 100 78 18-2 4-Φ18 270 180
40 200 145 110 85 18-3 4-Φ18 310 200
50 230 160 125 100 20-3 4-Φ18 358 240
65 290 180 145 120 22-3 8-Φ18 373 240
80 310 195 160 135 22-3 8-Φ18 435 280
100 350 230 190 160 24-3 8-Φ23 500 300
125 400 270 220 188 28-3 8-Φ25 614 320
150 480 300 250 218 30-3 8-Φ25 674 360
200 600 360 310 278 34-3 12-Φ25 811 400
250 650 425 370 332 36-3 12-Φ30 969 450
300 750 485 430 390 40-4 16-Φ30 1145 580
350 850 550 490 448 44-4 16-Φ34 1280 640
400 980 610 550 505 48-4 16-Φ34 1452 640

Gambar struktur

Hot Tags: Katup Globe Stainless Steel, China, Disesuaikan, Kualitas, Awet, Lanjut, Produsen, Supplier, Pabrik, ing Simpenan
Kirim Pitakonan
Info kontak
  • alamat

    No.1, North 1st Road, Stainless Steel New Town, Lecong Steel World West Road, Distrik Shunde, Kota Foshan, Provinsi Guangdong, China

Kanggo pitakon babagan katup gapura, katup globe lan katup mriksa utawa dhaptar rega, tinggalake email sampeyan lan kita bakal hubungi sajrone 24 jam.

X
Kita nggunakake cookie kanggo menehi pengalaman browsing sing luwih apik, nganalisa lalu lintas situs lan nggawe konten pribadi. Kanthi nggunakake situs iki, sampeyan setuju kanggo nggunakake cookie. Kebijakan Privasi
nolak Nampa