Produk
Swing Check Valve
  • Swing Check ValveSwing Check Valve

Swing Check Valve

Katup Jinqiu ngasilake katup mriksa ayunan kualitas, katup otomatis uga dikenal minangka katup siji arah utawa katup mriksa. Fungsine yaiku kanggo nyegah medium ing saluran pipa supaya ora mili maneh, supaya cairan kasebut bisa mili menyang siji arah. Iku efektif nyegah backflow (aliran bali) sing bisa ngrusak sistem pipa. Katup mbukak utawa nutup komponen mbukak lan nutup dening aliran lan pasukan saka medium kanggo nyegah medium saka mili bali.
Jinquan Valve is a high-tech enterprise integrating valve product research, production, sales, and service. As an H44H and H44Y type PN16 ~ PN250 swing check valves supplier, our customized swing check valves are suitable for pressures of 1.6 ~ 25MPa, working temperatures of -29 ~ +550 ℃, and are applicable to pipeline conditions in the petroleum, chemical, pharmaceutical, fertilizer, power industries, and other environments. Applicable media include water, oil, steam, acidic media, and so on. We have been operating in the valve manufacturing field for over twenty years. With our experience, we have won high praise from the market for our reasonable prices, high quality, and attentive service.

1. Opening lan Nutup otomatis: Katup mriksa swing mbukak lan nutup kanthi otomatis adhedhasar pasukan aliran media. Nalika media mili menyang arah sing ditemtokake, disk tutup dibukak, lan tutup mbukak. Nalika media mandheg mili utawa mundur, cakram tutup ditutup kanthi bobote dhewe utawa pasukan spring, nyegah arus mundur. Ora ana operasi manual sing dibutuhake, entuk kontrol otomatis.
2. Reliable Sealing: Ing lumahing sealing saka cakram tutup lan jog biasane digawe saka wesi basis wesi gandheng alloy utawa Stellite kobalt basis alloy hard, kang nyandhang-tahan, panas-tahan, karat-tahan, lan wis resistance ngeruk apik. Iki njamin efek sealing stabil jangka panjang lan kanthi efektif nyegah bocor media. 3. Saluran Aliran sing ora bisa diganggu: Saluran aliran dirancang kanthi rasional, nyebabake resistensi cairan sing kurang. Media kasebut bisa ngliwati katup mriksa ayunan kanthi lancar, nyuda mundhut tekanan lan konsumsi energi.

Paramèter kinerja

model H44H-16C~250 H44W-16P~250
Tekanan kerja (MPa) 1.6~25
suhu sing tepat (℃) ≤425 ≤550
Media sing cocog Banyu, uap, lenga Medium korosif sing lemah
materi Body, bonet, disk Baja karbon Baja tahan karat nikel-titanium krom
Sealing lumahing Baja karbon permukaan wesi basis wesi Badan disegel

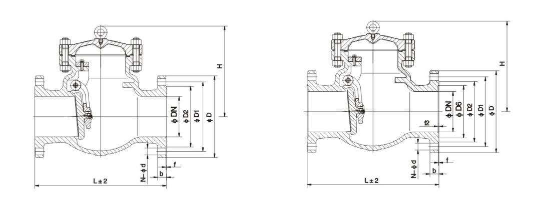
Wangun utama lan dimensi sambungan

diameteripun nominalDN Dimensi utama lan dimensi sambungan
L D D1 D2 b Z-d H
H44H-16C H44W-16C H44W-16P H44W-16R H44W-16I
25 160 115 85 65 16 4-14 100
32 180 135 100 78 16 4-18 105
40 200 145 100 85 16 4-18 115
50 230 160 125 100 16 4-18 135
65 290 180 145 120 18 4-18 142
80 310 195 160 135 20 8-18 165
100 350 215 180 155 20 8-18 180
125 400 245 210 185 22 8-18 210
150 480 280 240 210 24 8-23 233
200 500 335 295 265 26 12-23 304
250 550 405 355 320 30 12-25 348
300 650 460 410 375 30 12-25 390
350 750 520 470 435 34 16-25 430
400 850 580 525 485 36 16-30 468
H44H-25 H44W-25 H44W-25P H44W-25R H44W-25I
25 160 115 85 65 16 4-14 100
32 180 135 100 78 16 4-18 105
40 200 145 110 85 16 4-18 115
50 230 160 125 100 20 4-18 160
65 290 180 145 120 22 8-18 175
80 310 195 160 135 22 8-18 185
100 350 230 190 160 24 8-23 220
125 400 270 220 188 28 8-25 248
150 480 300 250 218 30 8-25 276
200 550 360 310 278 34 12-25 350
250 650 425 370 332 36 12-30 410
300 750 485 430 390 40 16-30 430
350 850 550 490 448 44 16-34 518
400 950 610 550 505 48 16-34 560

Gambar struktur

Hot Tags: Swing Check Valve, China, Customized, Quality, Awet, Advanced, Produsen, Supplier, Pabrik, ing Simpenan
Kirim Pitakonan
Info kontak
  • alamat

    No.1, North 1st Road, Stainless Steel New Town, Lecong Steel World West Road, Distrik Shunde, Kota Foshan, Provinsi Guangdong, China

Kanggo pitakon babagan katup gapura, katup globe lan katup mriksa utawa dhaptar rega, tinggalake email sampeyan lan kita bakal hubungi sajrone 24 jam.

X
Kita nggunakake cookie kanggo menehi pengalaman browsing sing luwih apik, nganalisa lalu lintas situs lan nggawe konten pribadi. Kanthi nggunakake situs iki, sampeyan setuju kanggo nggunakake cookie. Kebijakan Privasi
nolak Nampa