Produk
Katup Priksa API
  • Katup Priksa APIKatup Priksa API

Katup Priksa API

Katup mriksa API kualitas tinggi Jinqiu Valve cocog karo standar ASME, API, lan GB. Dilengkapi pusat mesin CNC majeng lan peralatan nglereni logam, perusahaan nggunakke teknologi CAD / CAM ing desain produk lan manufaktur, adhering kanggo standar ISO9001 kanggo mesthekake tliti lan kualitas bagean katup mriksa API sawijining.

Jinqiu Valve, produsen katup mriksa profesional ing China, katup mriksa API kita dirancang lan diprodhuksi kabeh miturut standar Amerika. Katup iki nduweni struktur estetis lan teknologi canggih. Klep mriksa API kanthi otomatis mbukak lan nutup cakram tutup adhedhasar aliran medium kasebut dhewe kanggo nyegah backflow. Iki uga dikenal minangka katup siji-arah, katup mriksa, utawa katup aliran balik. Fungsi utama yaiku kanggo nyegah aliran balik medium, nyegah pambalikan pompa lan drive motor, lan nyegah kebocoran medium ing wadhah kasebut.


1. Low Flow Resistance: Nalika tutup mriksa API mbukak kanthi, path aliran meh unobstructed, asil ing gulung meksa kurang.
2. Cepet Panutup lan Nyegah Backflow: Tumindak tuas saka disc tutup ngidini kanggo respon cepet lan penutupan malah ing wiwitan backflow.
3. Wide Applicability: Cocog kanggo sawetara saka sudhut diameteripun pipe, saka DN50 kanggo DN1200 lan ndhuwur.

Paramèter kinerja

nomer seri jeneng proyek paramèter
1 Tekanan nominal PN (MPa) 150LB 300LB 600LB 900LB 1500LB 2500LB
2.0 5.0 10.0 15.0 25.0 42.0
2 Tekanan uji kekuatan cangkang Tekanan nominal ing suhu kamar 1,5 kaping
3 Tekanan uji segel tekanan tinggi Tekanan nominal ing suhu kamar 1,1 kaping
4 Tekanan kerja ing suhu kamar Pencet ASME B16.34 tekanan lan rating suhu

Spesifikasi produk

standar desain Dawane struktur Ukuran sambungan flange Test lan pengawasan Referensi tekanan lan suhu
API6D/ASME B16.34 ASME B16.10 ASME B16.5 API598/API6D ASME B16.34

Bahan bagean utama

Jeneng Part Jeneng materi
awak A216 WCB A217 WC6 A351 CF8 A351 CF8M A351 CF3 A351 CF3M
kap A216 WCB A217 WC6 A351 CF8 A351 CF8M A351 CF3 A351 CF3M
Plate katup A216 WCB A217 WC6 A351 CF8 A351 CF8M A351 CF3 A351 CF3M
Sealing lumahing 13Cr/STL STL Badan / STL Badan / STL Badan / STL Badan / STL
Poros katup A182 F6a A182 F11 A182 F304 A182 F316 A182 F304L A182 F316L
Gasket Grafit fleksibel Grafit fleksibel Grafit fleksibel Grafit fleksibel Grafit fleksibel Grafit fleksibel
bolt A193 B7 A193 B16 A193 B8 A193 B8M A193 B8 A193 B8M
Nut A194 2H A194 4 A194 8 A194 8M A194 8 A194 8M
Suhu operasi -29~425 ℃ -29~540 ℃ -46~425 ℃ -46~425 ℃ -46~425 ℃ -46~425 ℃
Media sing cocog uap uap Lemah korosif Lemah korosif Lemah korosif Lemah korosif

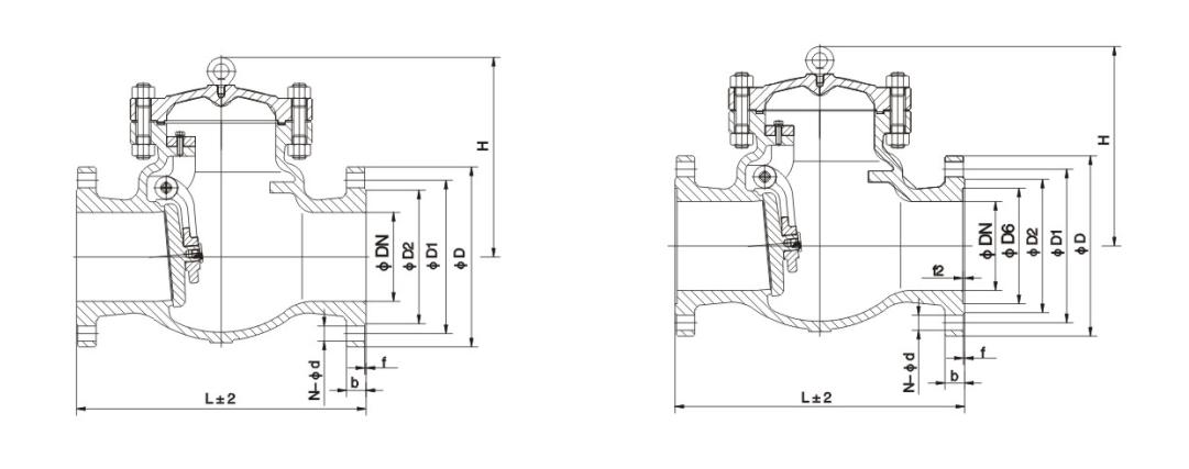
Wangun utama lan dimensi sambungan

diameteripun nominal ukuran
m ing L D D1 D2 b f n-d H
H44H-150Lb
50 2 203 152 120.5 92 16 1.6 4-19 180
80 3 241 192 152.5 127 19 1.6 4-19 190
100 4 297 229 190.5 157 24 1.6 8-19 203
125 5 330 254 216 186 24 1.6 8-22 229
150 6 356 279 241.5 216 26 1.6 8-22 257
200 8 495 342 298.5 270 29 1.6 8-22 292
250 10 622 406 362 324 31 1.6 12-25 355
300 12 698 483 432 381 32 1.6 12-25 396
H44H-300Lb
50 2 267 165 127 92 23 1.6 8-19 178
80 3 318 210 168.5 127 29 1.6 8-22 216
100 4 356 254 200 157 32 1.6 8-22 241
125 5 400 279 235 186 35 1.6 8-22 267
150 6 444 318 270 216 37 1.6 12-22 305
200 8 533 381 330 270 42 1.6 12-25 368
250 10 622 445 387 324 48 1.6 16-29 394
300 12 711 521 451 381 51 1.6 16-32 445
H44H-600Lb
50 2 295 165 127 92 33 6.4 8-19 203
80 3 359 210 168 127 36 6.4 8-22 235
100 4 435 273 216 157 45 6.4 8-25 286
125 5 511 330 266.5 186 52 6.4 8-29 292
150 6 562 356 292 216 55 6.4 12-29 330
200 8 664 419 349 270 63 6.4 12-32 381
250 10 791 510 432 324 71 6.4 16-35 457
300 12 842 559 489 381 74 6.4 20-35 584

Gambar struktur

Hot Tags: Katup Priksa API, China, Customized, Quality, Awet, Advanced, Produsen, Supplier, Pabrik, ing Simpenan
Kirim Pitakonan
Info kontak
  • alamat

    No.1, North 1st Road, Stainless Steel New Town, Lecong Steel World West Road, Distrik Shunde, Kota Foshan, Provinsi Guangdong, China

Kanggo pitakon babagan katup gapura, katup globe lan katup mriksa utawa dhaptar rega, tinggalake email sampeyan lan kita bakal hubungi sajrone 24 jam.

X
Kita nggunakake cookie kanggo menehi pengalaman browsing sing luwih apik, nganalisa lalu lintas situs lan nggawe konten pribadi. Kanthi nggunakake situs iki, sampeyan setuju kanggo nggunakake cookie. Kebijakan Privasi
nolak Nampa